Product Summary
The FM400TU-07A is a power module with high power switching use and insulated package. It is used in AC motor control of forklift (battery power source) and UPS.
Parametrics
FM400TU-07A absolute maximum ratings (Tch = 25℃ unless otherwise specified.):(1)VDSS,Drain-source voltage:75V at G-S Short; (2)VGSS,Gate-source voltage:±20V at D-S Short; (3)ID,drain current:200A at TC’ = 139℃*3; (4)IDM,drain current:400A at Pulse*2; (5)IDA,Avalanche current:200A at L = 10μH Pulse*2; (6)IS*1,Source current:200A at TC = 25℃; (7)ISM*1,Source current:400A at Pulse*2; (8)PD*4,Maximum power dissipation:650w at TC = 25℃; (9)PD*4,Maximum power dissipation:880w at TC’ = 25℃*3; (10)Tch,Channel temperature:–40 ~ +150℃; (11)Tstg,Storage temperature:–40 ~ +125℃; (12)Viso,Isolation voltage:2500v at Main terminal to base plate, AC 1 min.; (13)Mounting torque:3.5 ~ 4.5 N.m at Main Terminal M6; (14)Mounting torque:3.5 ~ 4.5 N.m at Mounting M6; (15)Weight:600g at Typical value.
Features
FM400TU-07A features:(1)ID(rms):200A; (2)VDSS:75V; (3)Insulated Type; (4)6-elements in a pack; (5)Thermistor inside; (6)UL Recognized.
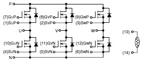
Diagrams

| Image | Part No | Mfg | Description | ![]() |
Pricing (USD) |
Quantity | ||||||||
|---|---|---|---|---|---|---|---|---|---|---|---|---|---|---|
![]() |
![]() FM400TU-07A |
![]() |
![]() MOSFET MOD 6PAC HP 75V 200A |
![]() Data Sheet |
![]()
|
|
||||||||
| Image | Part No | Mfg | Description | ![]() |
Pricing (USD) |
Quantity | ||||||||
![]() |
![]() FM4001 |
![]() Rectron |
![]() Diodes (General Purpose, Power, Switching) GP Si Rectifier SMA,1A,50V,GP |
![]() Data Sheet |
![]()
|
|
||||||||
![]() |
![]() FM4001B |
![]() Rectron |
![]() Rectifiers Vr/50V Io/1A T/R |
![]() Data Sheet |
![]()
|
|
||||||||
![]() |
![]() FM4001-L |
![]() Other |
![]() |
![]() Data Sheet |
![]() Negotiable |
|
||||||||
![]() |
![]() FM4001L - FM4007L |
![]() Other |
![]() |
![]() Data Sheet |
![]() Negotiable |
|
||||||||
![]() |
![]() FM4001-M |
![]() Other |
![]() |
![]() Data Sheet |
![]() Negotiable |
|
||||||||
![]() |
![]() FM4003 |
![]() Rectron |
![]() Diodes (General Purpose, Power, Switching) GP Si Rectifier SMA,1A,200V,GP |
![]() Data Sheet |
![]()
|
|
||||||||
(Hong Kong)









