Product Summary
Using the Relay in a circuit where the Relay will be ON continuously for long periods (without switching) can lead to unstable contacts, because the heat generated by the coil itself will affect the insulation, causing a film to develop on the contact surfaces. Be sure to use a fail-safe circuit design that provides protection against contact failure or coil burnout.
Parametrics
Specifications: (1)Rated load: 0.50 A at 125 VAC, 1A 24 VDC; (2)Contact material: Ag + Au-Alloy; (3)Carry current: 2 A; (4)Max. operating voltage: 125 VAC, 60 VDC; (5)Max. operating current: 1 A; (6)Max. switching capacity: 62.50 VA, 30W; (7)Min. permissible load (See note): 1 mA, 5 VDC.
Features
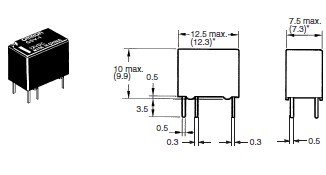
Features: (1)High sensitivity: 150 mW nominal power consumption; (2)Small size at 10 H x 7.5 W x 12.5 L mm; (3)Switches from 1 mA to 1 A; (4)Conforms to FCC part 68 requirements for coil to contacts; (5)Fully-sealed construction; (6)Ideal for use in telecommunications, security, and computer/peripheral equipment; (7)RoHS Compliant.
Diagrams

![]() |
![]() G5V-1-2 DC12 |
![]() Omron Electronics |
![]() High Frequency / RF Relays ThruHole 1A SPDT 12DC 150mW Seal |
![]() Data Sheet |
![]()
|
|
||||||||||||
![]() |
![]() G5V-1-2 DC24 |
![]() Omron Electronics |
![]() High Frequency / RF Relays ThruHole 1A SPDT 24DC 150mW Seal |
![]() Data Sheet |
![]()
|
|
||||||||||||
![]() |
![]() G5V-1-2 DC5 |
![]() Omron Electronics |
![]() High Frequency / RF Relays ThruHole 1A SPDT 5DC 150mW Seal |
![]() Data Sheet |
![]()
|
|
||||||||||||
![]() |
![]() G5V-1-2 DC6 |
![]() Omron Electronics |
![]() High Frequency / RF Relays ThruHole 1A SPDT 6DC 150mW Seal |
![]() Data Sheet |
![]()
|
|
||||||||||||
![]() |
![]() G5V-1-2 DC9 |
![]() Omron Electronics |
![]() High Frequency / RF Relays ThruHole 1A SPDT 9DC 150mW Seal |
![]() Data Sheet |
![]()
|
|
||||||||||||
![]() |
![]() G5V-1-2-DC3 |
![]() |
![]() RELAY GENERAL PURPOSE SPDT 1A 3V |
![]() Data Sheet |
![]() Negotiable |
|
||||||||||||
(Hong Kong)









