Product Summary
ALD124 is a 1 form A slim power relay, which also called LD-relays. The product name is LD, and the contact arrangement is 1: 1 Form A. It is widely used in Air conditioner, Refrigerator, Hot water units, Microwave ovens, and Fan heaters. ALD124 has high insulation resistance, creepage distance and clearances between contact and coil: Min. 6 mm .236 inch(In compliance with IEC65). Surge withstand voltage between contact and coil: 10,000 V or more.
Parametrics
Absolute Maximum Ratings: (1)Arrangement: 1 Form A; (2)Initial contact resistance, max. (By voltage drop 6 V DC 1 A) : Max. 100 mW; (3)Nominal switching capacity: 3 A 277 V AC, 3 A 30V DC; (4)Max. switching power: 831 V A (AC),90W (DC); (5)Max. switching voltage: 277 V AC, 30 V DC; (6)Max. switching current: 3 A; (7)Mechanical (at 180 cpm): 5000000; (8)Nominal operating power: 200 mW; (9)Max. operating speed: 20 cpm (at rated load); (10)Initial insulation resistance*: 1 Min. 1,000 MW (at 500 V DC); (11)Operate time*4 (at nominal voltage): Max.: 10ms (at 20°C 68 °F); (12)Release time (with diode)*4(at nominal voltage) Max. :10ms (at 20°C 68°F); (13)Temperature rise: (at 70°C)Max. 45°C with nominal coil voltage and at 3 A contact carrying current (resistance method).
Features
Features:(1)Slim type: Width 7 mm; (2)Perfect for small load switching of home appliances; (3)Low operating power; (4)High shock resistance; (5)High insulation resistance; (6)UL/CSA, VDE, TüV approved.
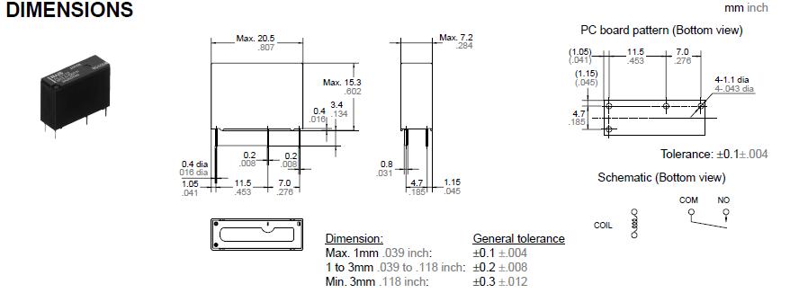
Diagrams

| Image | Part No | Mfg | Description | ![]() |
Pricing (USD) |
Quantity | ||||||||||||
|---|---|---|---|---|---|---|---|---|---|---|---|---|---|---|---|---|---|---|
![]() |
![]() ALD124 |
![]() Panasonic Electric Works |
![]() General Purpose / Industrial Relays 3A 24VDC SPST PCB |
![]() Data Sheet |
![]()
|
|
||||||||||||
![]() |
![]() ALD124W |
![]() Panasonic Electric Works |
![]() General Purpose / Industrial Relays 1 Form A 3A 277VAC 3A 30VDC 24V |
![]() Data Sheet |
![]()
|
|
||||||||||||
(Hong Kong)










