Product Summary
The FF200R12KS4 is a 62mm IGBT module with the fast IGBT2 for high-frequency switching. Applications of the FF200R12KS4 are: (1)Medical applications; (2)Motor drives; (3)Resonant inverter applications; (4)Servo drives; (5)UPS systems.
Parametrics
FF200R12KS4 absolute maximum ratings: (1)collector-emitter voltage: 1200 V at Tvj=25℃; (2)DC-collector current: 200 A at Tc=65℃, Tvj=150℃, 275 A at Tc=25℃, Tvj=150℃; (3)repetitive peak collector current: 400 A; (4)total power dissipation: 1400 W at Tc=25℃, Tvj=150℃; (5)gate-emitter peak voltage: +/-20 V.
Features
FF200R12KS4 features: (1)forward voltage: 2.00V; (2)peak reverse recovery current: 140A; (3)recovered charge: 11.5μC; (4)reverse recovery energy: 4.20 mJ; (5)thermal resistance, junction to case: 0.18K/W.
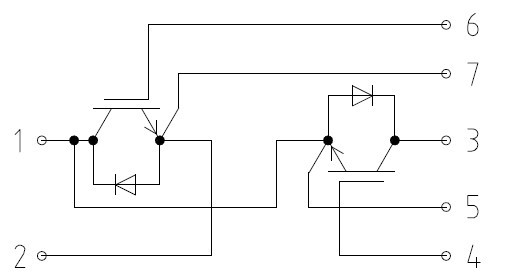
Diagrams

| Image | Part No | Mfg | Description | ![]() |
Pricing (USD) |
Quantity | ||||||||
|---|---|---|---|---|---|---|---|---|---|---|---|---|---|---|
![]() |
![]() FF200R12KS4 |
![]() Infineon Technologies |
![]() IGBT Modules 1200V 200A DUAL |
![]() Data Sheet |
![]()
|
|
||||||||
| Image | Part No | Mfg | Description | ![]() |
Pricing (USD) |
Quantity | ||||||||
![]() |
![]() FF200R06KE3 |
![]() Infineon Technologies |
![]() IGBT Modules N-CH 600V 260A |
![]() Data Sheet |
![]()
|
|
||||||||
![]() |
![]() FF200R06ME3 |
![]() Infineon Technologies |
![]() IGBT Modules IGBT 600V 200A |
![]() Data Sheet |
![]()
|
|
||||||||
![]() |
![]() FF200R06YE3 |
![]() Infineon Technologies |
![]() IGBT Modules IGBT 600V 200A |
![]() Data Sheet |
![]()
|
|
||||||||
![]() |
![]() FF200R06YE3ENG |
![]() Infineon Technologies |
![]() IGBT Modules |
![]() Data Sheet |
![]()
|
|
||||||||
![]() |
![]() FF200R12KE3 |
![]() Infineon Technologies |
![]() IGBT Transistors 1200V 200A DUAL |
![]() Data Sheet |
![]()
|
|
||||||||
![]() |
![]() FF200R12KE3_B2 |
![]() Infineon Technologies |
![]() IGBT Modules N-CH 1.2KV 295A |
![]() Data Sheet |
![]()
|
|
||||||||
(Hong Kong)









